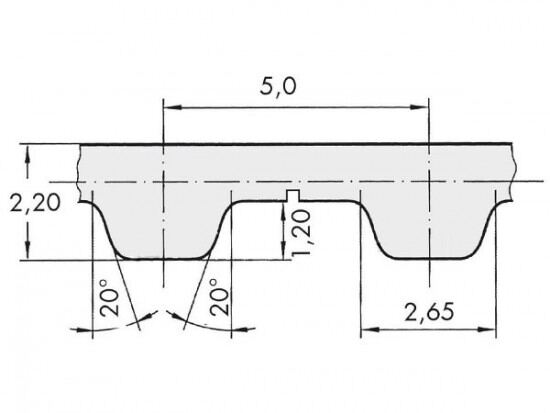
Řemen ozubený 75 T5 / 9800 AFX optibelt ALPHA FLEX

Řemen ozubený 75 T5 / 9800 AFX optibelt ALPHA FLEX

Kód produktu: 
4044978607027
Dostupnost:
Na dotaz
48 655 Kč
40 211 Kč bez DPH