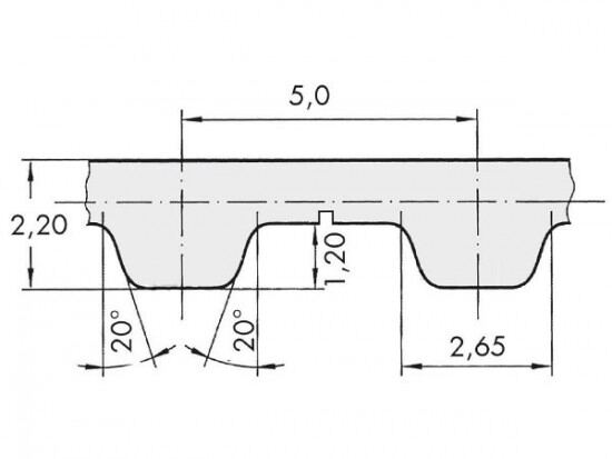
Řemen ozubený 75 T5 / 9600 AFX optibelt ALPHA FLEX

Řemen ozubený 75 T5 / 9600 AFX optibelt ALPHA FLEX

Kód produktu: 
4044978602367
Dostupnost:
Na dotaz
47 667 Kč
39 394 Kč bez DPH