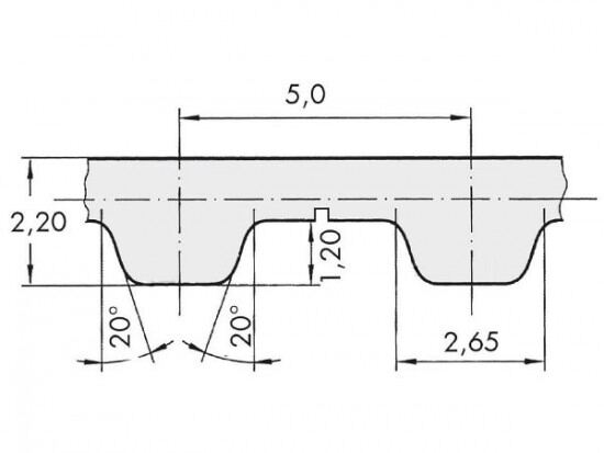
Řemen ozubený 75 T5 / 8000 AFX optibelt ALPHA FLEX

Řemen ozubený 75 T5 / 8000 AFX optibelt ALPHA FLEX

Kód produktu: 
4044978616647
Dostupnost:
Na dotaz
39 531 Kč
32 670 Kč bez DPH