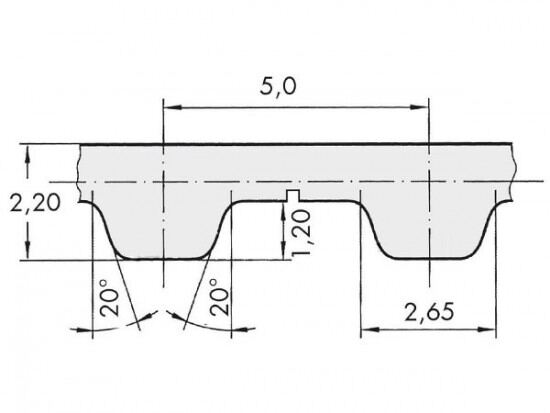
Řemen ozubený 75 T5 / 7800 AFX optibelt ALPHA FLEX

Řemen ozubený 75 T5 / 7800 AFX optibelt ALPHA FLEX

Kód produktu: 
4044978608772
Dostupnost:
Na dotaz
38 543 Kč
31 854 Kč bez DPH