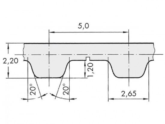
Řemen ozubený 75 T5 / 7400 AFX optibelt ALPHA FLEX

Řemen ozubený 75 T5 / 7400 AFX optibelt ALPHA FLEX

Kód produktu: 
4044978613509
Dostupnost:
Na dotaz
36 567 Kč
30 221 Kč bez DPH