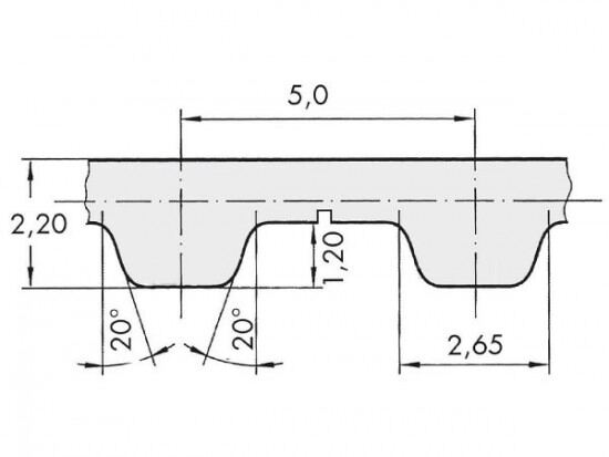
Řemen ozubený 75 T5 / 7200 AFX optibelt ALPHA FLEX

Řemen ozubený 75 T5 / 7200 AFX optibelt ALPHA FLEX

Kód produktu: 
4044978603951
Dostupnost:
Na dotaz
35 577 Kč
29 403 Kč bez DPH