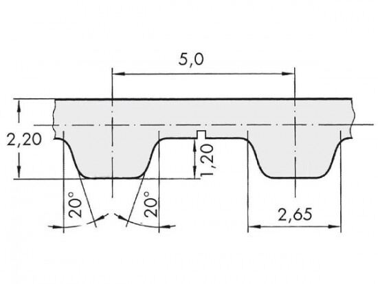
Řemen ozubený 75 T5 / 7000 AFX optibelt ALPHA FLEX

Řemen ozubený 75 T5 / 7000 AFX optibelt ALPHA FLEX

Kód produktu: 
4044978596741
Dostupnost:
Na dotaz
34 544 Kč
28 548 Kč bez DPH