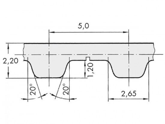
Řemen ozubený 75 T5 / 6800 AFX optibelt ALPHA FLEX

Řemen ozubený 75 T5 / 6800 AFX optibelt ALPHA FLEX

Kód produktu: 
4044978593665
Dostupnost:
Na dotaz
33 510 Kč
27 694 Kč bez DPH