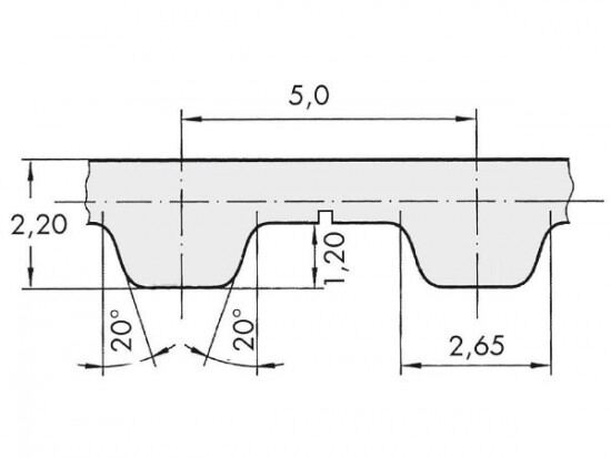
Řemen ozubený 75 T5 / 6400 AFX optibelt ALPHA FLEX

Řemen ozubený 75 T5 / 6400 AFX optibelt ALPHA FLEX

Kód produktu: 
4044978596314
Dostupnost:
Na dotaz
31 464 Kč
26 003 Kč bez DPH