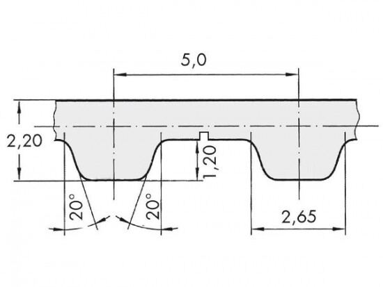
Řemen ozubený 75 T5 / 6000 AFX optibelt ALPHA FLEX

Řemen ozubený 75 T5 / 6000 AFX optibelt ALPHA FLEX

Kód produktu: 
4044978597137
Dostupnost:
Na dotaz
29 556 Kč
24 426 Kč bez DPH