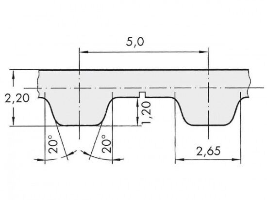
Řemen ozubený 75 T5 / 5800 AFX optibelt ALPHA FLEX

Řemen ozubený 75 T5 / 5800 AFX optibelt ALPHA FLEX

Kód produktu: 
4044978587930
Dostupnost:
Na dotaz
28 614 Kč
23 648 Kč bez DPH