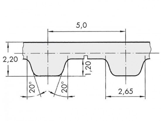
Řemen ozubený 75 T5 / 5600 AFX optibelt ALPHA FLEX

Řemen ozubený 75 T5 / 5600 AFX optibelt ALPHA FLEX

Kód produktu: 
4044978584502
Dostupnost:
Na dotaz
27 901 Kč
23 058 Kč bez DPH