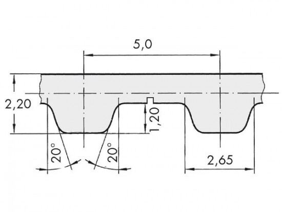
Řemen ozubený 75 T5 / 5000 AFX optibelt ALPHA FLEX

Řemen ozubený 75 T5 / 5000 AFX optibelt ALPHA FLEX

Kód produktu: 
4044978585783
Dostupnost:
Na dotaz
24 500 Kč
20 248 Kč bez DPH