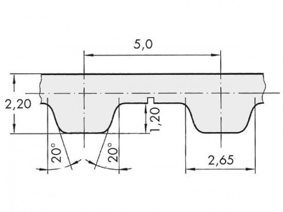
Řemen ozubený 75 T5 / 4800 AFX optibelt ALPHA FLEX

Řemen ozubený 75 T5 / 4800 AFX optibelt ALPHA FLEX

Kód produktu: 
4044978597595
Dostupnost:
Na dotaz
23 649 Kč
19 544 Kč bez DPH