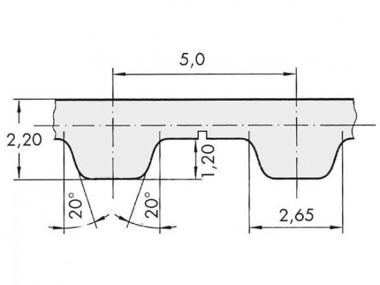
Řemen ozubený 75 T5 / 4600 AFX optibelt ALPHA FLEX

Řemen ozubený 75 T5 / 4600 AFX optibelt ALPHA FLEX

Kód produktu: 
4044978592934
Dostupnost:
Na dotaz
22 570 Kč
18 653 Kč bez DPH