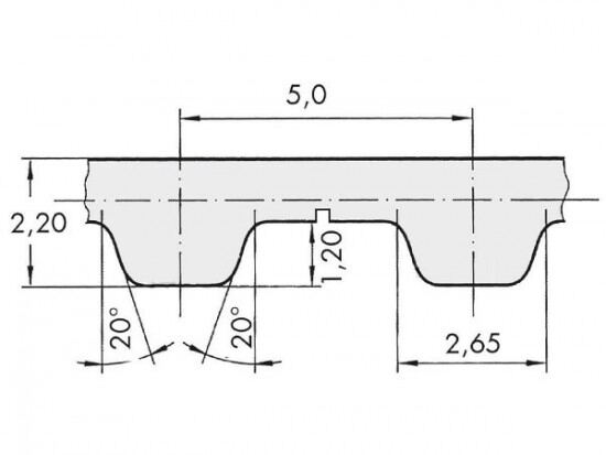
Řemen ozubený 75 T5 / 4000 AFX optibelt ALPHA FLEX

Řemen ozubený 75 T5 / 4000 AFX optibelt ALPHA FLEX

Kód produktu: 
4014486023039
Dostupnost:
Na dotaz
19 674 Kč
16 259 Kč bez DPH