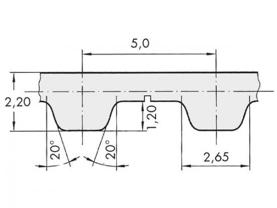
Řemen ozubený 75 T5 / 3800 AFX optibelt ALPHA FLEX

Řemen ozubený 75 T5 / 3800 AFX optibelt ALPHA FLEX

Kód produktu: 
4044978586087
Dostupnost:
Na dotaz
18 779 Kč
15 519 Kč bez DPH