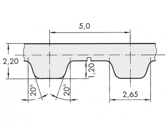
Řemen ozubený 75 T5 / 3600 AFX optibelt ALPHA FLEX

Řemen ozubený 75 T5 / 3600 AFX optibelt ALPHA FLEX

Kód produktu: 
4044978593986
Dostupnost:
Na dotaz
17 720 Kč
14 645 Kč bez DPH