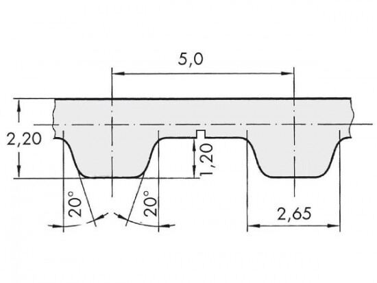
Řemen ozubený 75 T5 / 3200 AFX optibelt ALPHA FLEX

Řemen ozubený 75 T5 / 3200 AFX optibelt ALPHA FLEX

Kód produktu: 
4044978586155
Dostupnost:
Na dotaz
15 490 Kč
12 802 Kč bez DPH