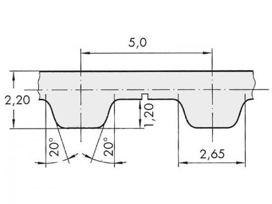
Řemen ozubený 75 T5 / 2900 AFX optibelt ALPHA FLEX

Řemen ozubený 75 T5 / 2900 AFX optibelt ALPHA FLEX

Kód produktu: 
4044978587107
Dostupnost:
Na dotaz
13 997 Kč
11 568 Kč bez DPH