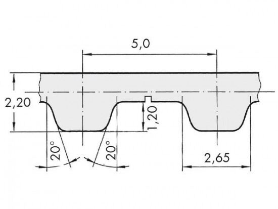
Řemen ozubený 75 T5 / 2700 AFX optibelt ALPHA FLEX

Řemen ozubený 75 T5 / 2700 AFX optibelt ALPHA FLEX

Kód produktu: 
4044978592880
Dostupnost:
Na dotaz
13 055 Kč
10 789 Kč bez DPH