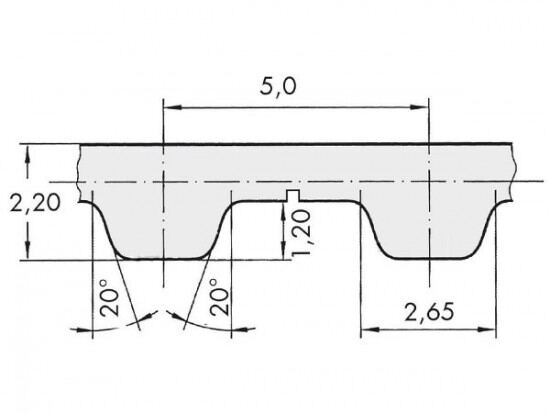
Řemen ozubený 75 T5 / 2600 AFX optibelt ALPHA FLEX

Řemen ozubený 75 T5 / 2600 AFX optibelt ALPHA FLEX

Kód produktu: 
4044978588890
Dostupnost:
Na dotaz
12 619 Kč
10 429 Kč bez DPH