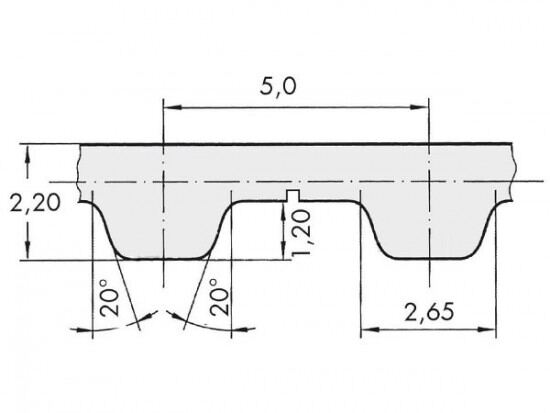
Řemen ozubený 75 T5 / 2500 AFX optibelt ALPHA FLEX

Řemen ozubený 75 T5 / 2500 AFX optibelt ALPHA FLEX

Kód produktu: 
4044978597366
Dostupnost:
Na dotaz
12 112 Kč
10 010 Kč bez DPH