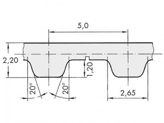
Řemen ozubený 75 T5 / 2400 AFX optibelt ALPHA FLEX

Řemen ozubený 75 T5 / 2400 AFX optibelt ALPHA FLEX

Kód produktu: 
4044978596772
Dostupnost:
Na dotaz
11 675 Kč
9 648 Kč bez DPH