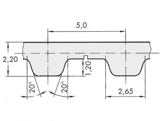
Řemen ozubený 75 T5 / 2300 AFX optibelt ALPHA FLEX

Řemen ozubený 75 T5 / 2300 AFX optibelt ALPHA FLEX

Kód produktu: 
4044978592828
Dostupnost:
Na dotaz
11 193 Kč
9 250 Kč bez DPH