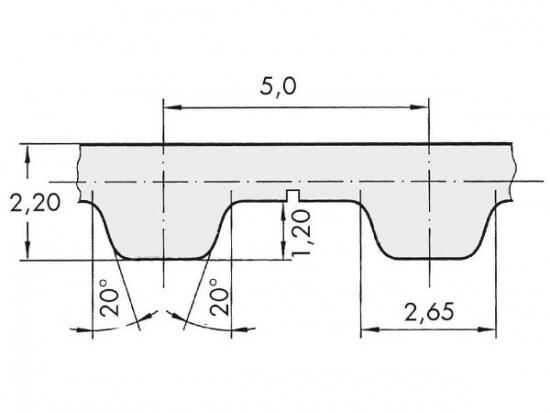
Řemen ozubený 75 T5 / 2200 AFX optibelt ALPHA FLEX

Řemen ozubený 75 T5 / 2200 AFX optibelt ALPHA FLEX

Kód produktu: 
4044978587183
Dostupnost:
Na dotaz
10 711 Kč
8 852 Kč bez DPH