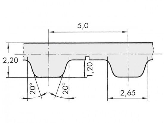
Řemen ozubený 75 T5 / 2100 AFX optibelt ALPHA FLEX

Řemen ozubený 75 T5 / 2100 AFX optibelt ALPHA FLEX

Kód produktu: 
4044978587589
Dostupnost:
Na dotaz
10 250 Kč
8 471 Kč bez DPH