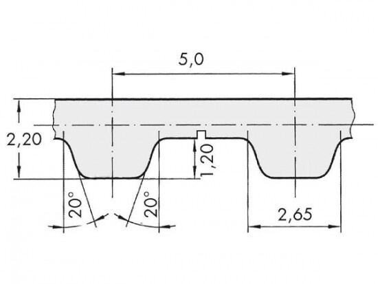
Řemen ozubený 75 T5 / 2000 AFX optibelt ALPHA FLEX

Řemen ozubený 75 T5 / 2000 AFX optibelt ALPHA FLEX

Kód produktu: 
4044978593313
Dostupnost:
Na dotaz
9 539 Kč
7 884 Kč bez DPH