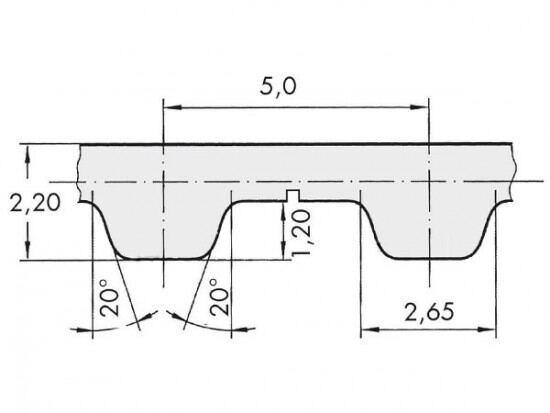
Řemen ozubený 75 T5 / 1900 AFX optibelt ALPHA FLEX

Řemen ozubený 75 T5 / 1900 AFX optibelt ALPHA FLEX

Kód produktu: 
4014486022070
Dostupnost:
Na dotaz
9 103 Kč
7 523 Kč bez DPH