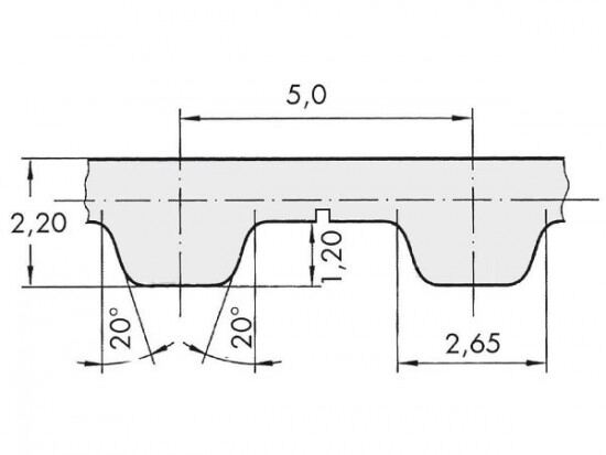
Řemen ozubený 75 T5 / 1600 AFX optibelt ALPHA FLEX

Řemen ozubený 75 T5 / 1600 AFX optibelt ALPHA FLEX

Kód produktu: 
4044978597939
Dostupnost:
Na dotaz
7 873 Kč
6 507 Kč bez DPH