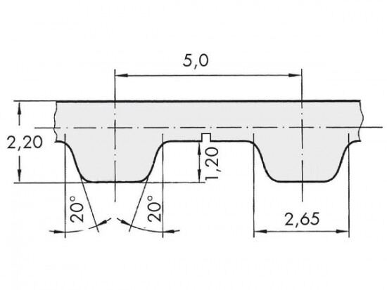
Řemen ozubený 75 T5 / 1500 AFX optibelt ALPHA FLEX

Řemen ozubený 75 T5 / 1500 AFX optibelt ALPHA FLEX

Kód produktu: 
4014486021837
Dostupnost:
Na dotaz
7 568 Kč
6 254 Kč bez DPH