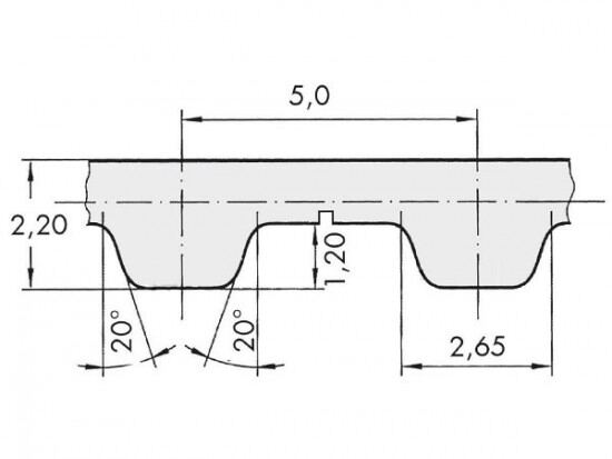
Řemen ozubený 75 T5 / 1400 AFX optibelt ALPHA FLEX

Řemen ozubený 75 T5 / 1400 AFX optibelt ALPHA FLEX

Kód produktu: 
4014486832914
Dostupnost:
Na dotaz
7 252 Kč
5 994 Kč bez DPH