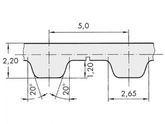
Řemen ozubený 75 T5 / 1200 AFX optibelt ALPHA FLEX

Řemen ozubený 75 T5 / 1200 AFX optibelt ALPHA FLEX

Kód produktu: 
4014486832792
Dostupnost:
Na dotaz
6 897 Kč
5 700 Kč bez DPH