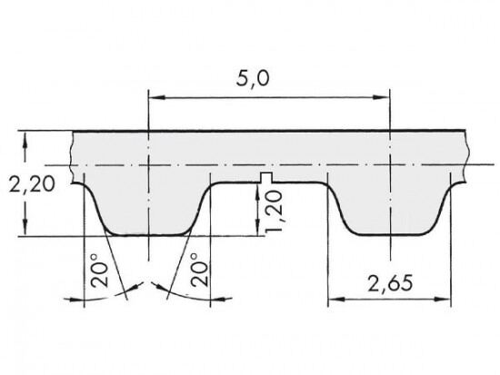
Řemen ozubený 75 T5 / 11600 AFX optibelt ALPHA FLEX

Řemen ozubený 75 T5 / 11600 AFX optibelt ALPHA FLEX

Kód produktu: 
4044978608901
Dostupnost:
Na dotaz
57 781 Kč
47 753 Kč bez DPH