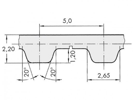
Řemen ozubený 75 T5 / 11400 AFX optibelt ALPHA FLEX

Řemen ozubený 75 T5 / 11400 AFX optibelt ALPHA FLEX

Kód produktu: 
4044978618399
Dostupnost:
Na dotaz
56 722 Kč
46 878 Kč bez DPH