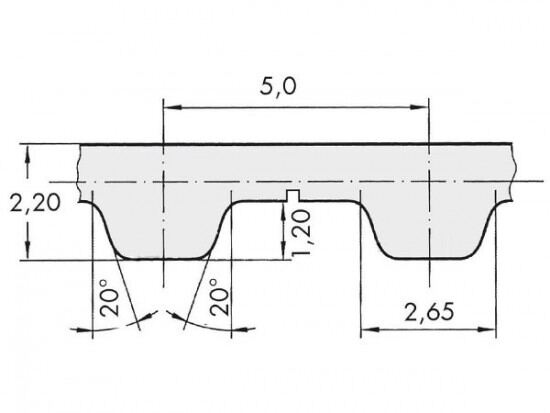
Řemen ozubený 75 T5 / 11000 AFX optibelt ALPHA FLEX

Řemen ozubený 75 T5 / 11000 AFX optibelt ALPHA FLEX

Kód produktu: 
4044978611093
Dostupnost:
Na dotaz
54 746 Kč
45 245 Kč bez DPH