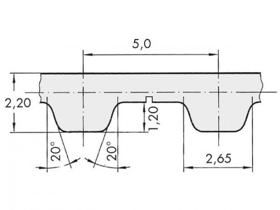
Řemen ozubený 75 T5 / 1100 AFX optibelt ALPHA FLEX

Řemen ozubený 75 T5 / 1100 AFX optibelt ALPHA FLEX

Kód produktu: 
4014486832730
Dostupnost:
Na dotaz
6 629 Kč
5 478 Kč bez DPH