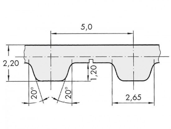
Řemen ozubený 75 T5 / 10800 AFX optibelt ALPHA FLEX

Řemen ozubený 75 T5 / 10800 AFX optibelt ALPHA FLEX

Kód produktu: 
4044978602640
Dostupnost:
Na dotaz
53 713 Kč
44 391 Kč bez DPH