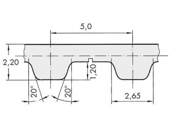
Řemen ozubený 75 T5 / 10600 AFX optibelt ALPHA FLEX

Řemen ozubený 75 T5 / 10600 AFX optibelt ALPHA FLEX

Kód produktu: 
4044978619808
Dostupnost:
Na dotaz
52 725 Kč
43 574 Kč bez DPH