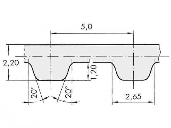
Řemen ozubený 75 T5 / 10400 AFX optibelt ALPHA FLEX

Řemen ozubený 75 T5 / 10400 AFX optibelt ALPHA FLEX

Kód produktu: 
4044978603920
Dostupnost:
Na dotaz
51 689 Kč
42 718 Kč bez DPH