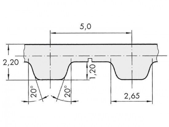
Řemen ozubený 75 T5 / 10200 AFX optibelt ALPHA FLEX

Řemen ozubený 75 T5 / 10200 AFX optibelt ALPHA FLEX

Kód produktu: 
4044978619594
Dostupnost:
Na dotaz
50 678 Kč
41 883 Kč bez DPH