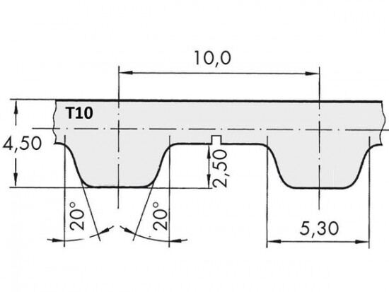
Řemen ozubený 75 T10 / 8200 AFX optibelt ALPHA FLEX

Řemen ozubený 75 T10 / 8200 AFX optibelt ALPHA FLEX

Kód produktu: 
4044978607539
Dostupnost:
Na dotaz
45 093 Kč
37 267 Kč bez DPH