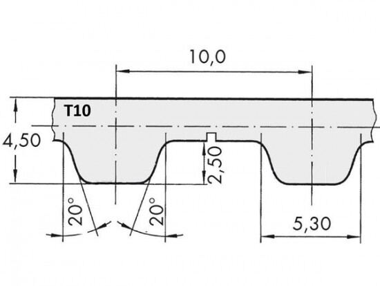
Řemen ozubený 75 T10 / 8000 AFX optibelt ALPHA FLEX

Řemen ozubený 75 T10 / 8000 AFX optibelt ALPHA FLEX

Kód produktu: 
4044978602718
Dostupnost:
Na dotaz
43 944 Kč
36 317 Kč bez DPH