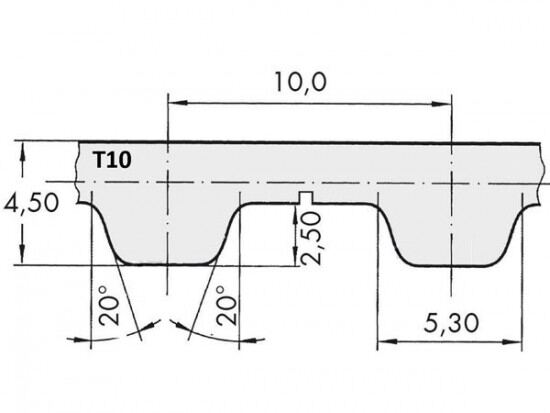
Řemen ozubený 75 T10 / 7800 AFX optibelt ALPHA FLEX

Řemen ozubený 75 T10 / 7800 AFX optibelt ALPHA FLEX

Kód produktu: 
4044978615152
Dostupnost:
Na dotaz
42 863 Kč
35 424 Kč bez DPH