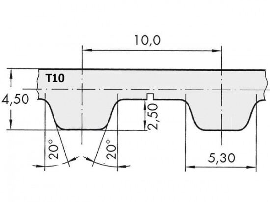
Řemen ozubený 75 T10 / 7600 AFX optibelt ALPHA FLEX

Řemen ozubený 75 T10 / 7600 AFX optibelt ALPHA FLEX

Kód produktu: 
4044978604057
Dostupnost:
Na dotaz
41 714 Kč
34 474 Kč bez DPH