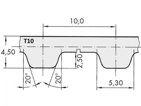
Řemen ozubený 75 T10 / 7200 AFX optibelt ALPHA FLEX

Řemen ozubený 75 T10 / 7200 AFX optibelt ALPHA FLEX

Kód produktu: 
4044978604699
Dostupnost:
Na dotaz
39 463 Kč
32 614 Kč bez DPH