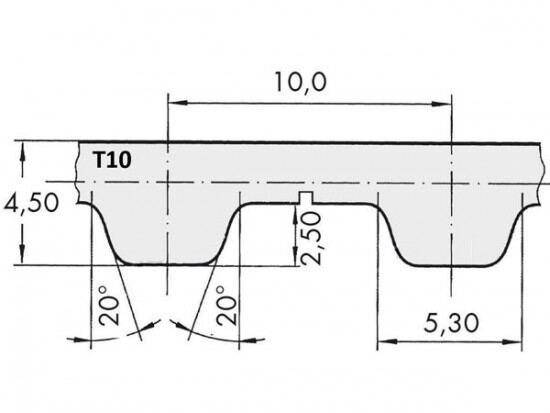
Řemen ozubený 75 T10 / 6400 AFX optibelt ALPHA FLEX

Řemen ozubený 75 T10 / 6400 AFX optibelt ALPHA FLEX

Kód produktu: 
4044978592989
Dostupnost:
Na dotaz
35 003 Kč
28 928 Kč bez DPH