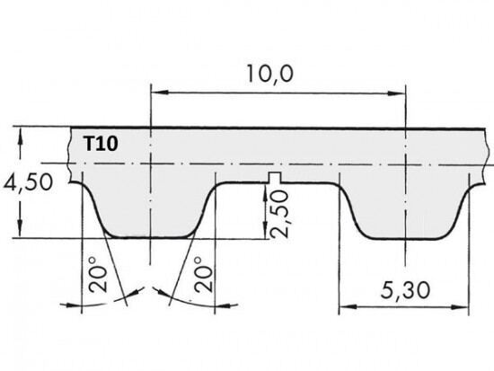
Řemen ozubený 75 T10 / 6200 AFX optibelt ALPHA FLEX

Řemen ozubený 75 T10 / 6200 AFX optibelt ALPHA FLEX

Kód produktu: 
4044978588135
Dostupnost:
Na dotaz
33 946 Kč
28 055 Kč bez DPH