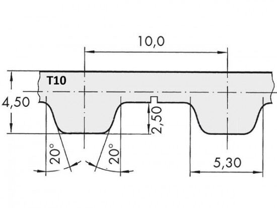
Řemen ozubený 75 T10 / 5200 AFX optibelt ALPHA FLEX

Řemen ozubený 75 T10 / 5200 AFX optibelt ALPHA FLEX

Kód produktu: 
4044978589309
Dostupnost:
Na dotaz
28 430 Kč
23 496 Kč bez DPH