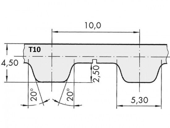
Řemen ozubený 75 T10 / 5000 AFX optibelt ALPHA FLEX

Řemen ozubený 75 T10 / 5000 AFX optibelt ALPHA FLEX

Kód produktu: 
4044978586032
Dostupnost:
Na dotaz
27 235 Kč
22 508 Kč bez DPH